
-
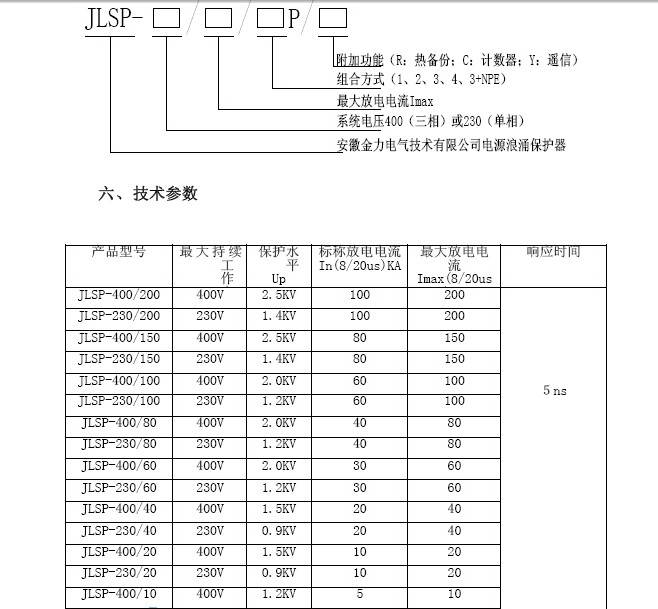
金力JLSP-400/150型浪涌保护器使用说明书
- 大小:0.61M
- 语言:简体中文
- 类别: 机电五金
- 系统:Winxp/vista/win7/win8/2000/2003
使用手机助手
版本: | 更新时间: 2024-12-25
同类推荐
最新更新
金力JLSP-400/150型浪涌保护器使用说明书评论
-
1楼 华军网友 2014-10-05 14:45:41金力JLSP-400/150型浪涌保护器使用说明书很好用,谢谢啦!!
-
2楼 华军网友 2014-04-07 05:44:59金力JLSP-400/150型浪涌保护器使用说明书界面设计很容易上手,功能很丰富,本人极力推荐!
-
3楼 华军网友 2016-11-29 07:15:43金力JLSP-400/150型浪涌保护器使用说明书超级棒!点一亿个赞!!!