
-
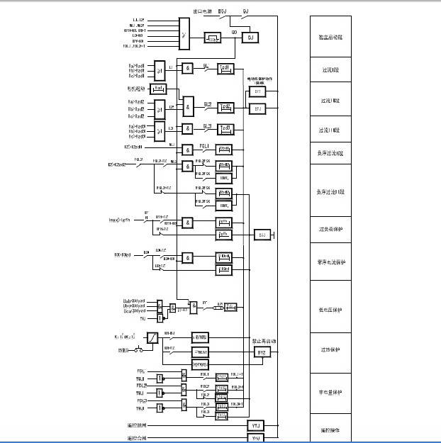
南瑞继保RCS-9622CN厂用变压器保护测控装置使用说明书
- 大小:1.82M
- 语言:简体中文
- 类别: 机电五金
- 系统:Winxp/vista/win7/2000/2003
使用手机助手
版本: | 更新时间: 2024-12-25
同类推荐
最新更新
autoCAD2010怎么快速画直线-autoCAD2010快速画直线的方法
autoCAD2010怎么绘制环形阵列-autoCAD2010绘制环形阵列的方法
autoCAD2010怎么建图层-autoCAD2010建图层的方法
autoCAD2010怎么拉伸对象-autoCAD2010拉伸对象的方法
autoCAD2010怎么快速建立块-autoCAD2010快速建立块的方法
autoCAD2010怎么改背景颜色-autoCAD2010改背景颜色的方法
autoCAD2010怎么倒圆角-autoCAD2010倒圆角的方法
autoCAD2010怎么打印图纸-autoCAD2010打印图纸的方法
Microsoft Remote Desktop怎么设置主机用户名密码-Microsoft Remote Desktop设置主机用户名密码的方法
南瑞继保RCS-9622CN厂用变压器保护测控装置使用说明书评论
-
1楼 华军网友 2017-08-30 03:46:45南瑞继保RCS-9622CN厂用变压器保护测控装置使用说明书很好用,谢谢啦!!
-
2楼 华军网友 2018-11-13 15:20:52南瑞继保RCS-9622CN厂用变压器保护测控装置使用说明书界面设计很容易上手,功能很丰富,本人极力推荐!
-
3楼 华军网友 2015-12-14 08:55:59南瑞继保RCS-9622CN厂用变压器保护测控装置使用说明书超级棒!点一亿个赞!!!